1756 If8h Wiring Diagram
61 Unicast connection to streamline EtherNetIP network broadcast traffic is available for the 1756-IF8H and 1756-OF8H analog IO modules. Wiring the OF8 Module.

Rockwell Automation 1492 Acable100wa Pre Wired Cables With I O And Ifm Connector Ecommerce Technology Bsa
Catalog Numbers 1756-IF8H 1756-IF8IH 1756-IF16H 1756-IF16IH 1756-OF8H 1756-OF8IH User Manual.

1756 if8h wiring diagram. Allen bradley 1756 of8 wiring diagram sample wiring assortment of allen bradley 1756 of8 wiring diagram a wiring diagram is a simplified standard pictorial representation of an electric circuit it shows the parts. When splicing wires together only use approved wire connectors wire nuts. Here is a picture gallery about 1756 if6i wiring diagram complete with the description of the image please find the image you need.
Chapter 4 Non-isolated Analog VoltageCurrent Input Modules IF16 IF8. Controllogix analog i o modules rockwell automation allen bradley of8 wiring diagram sample wiring compact i o if8 analog input module installation allen bradley of8 wiring diagram sample wiring ia16 wiring diagram ia16 wiring diagram schematron controllogix redundant power supply. Assortment of allen bradley 1756 of8 wiring diagram.
HART interface 1756-IF8H 1756-IF8IH 1756-IF16H 57 64 73 1756-OF8H 1756-OF8IH 190 197 Specialty 1756-CFM 1756-HSC 225. Specifications 1756-OF8H 1756-IF8H 1756-IF16H Number of Channels 8 voltage or current outputs 1 HART modem per module 8 differential voltage or current inputs 1 HART modem per module 16 differential current inputs dedicated HART modem per channel Backplane Current 200 mA 51V 230 mA 24V Total backplane power 654 W 300 mA 51V 70 mA 24V. 1756 If8Ih Wiring 1756-If16 Wiring Diagram Wiring Diagrams intended for 1756 If6I Wiring Diagram image size 412 X 445 px image source.
This specific impression 1756 If8Ih Wiring 1756-If16 Wiring Diagram Wiring Diagrams. Current and voltage wiring. Rockwell automation 1756 of8h reading cur on if16 plcs net wire the module if16h shefalitayal diagram ob16e wiring full of8 allen bradley non isolated controllogix digital i o modules hart analog 1492 cm800 la002 supply input supplier ab 1715 la001 for plc analogue specifications control bulletin oa16i 1756oa16i in stock proces um002 literature library if6i manual.
The examples and diagrams in. ControlLogix 120V AC diagnostic input module Table 1 - Diagnostic Specifications - 1756-IA8D Attribute 1756-IA8D Open wire Off-state leakage current 15 mA min Loss of power Transition range 4685V AC Timestamp of. RTBs and IFMs are not included with the IO modules.
Module block diagrams and inputoutput circuit diagrams. Wire the IF16 Module. Allen bradley 1756 of8 wiring diagram another graphic.
1756 If16h Shefalitayal. Controllogix hart analog i o modules user manual 1756 1756 if8h user manual signal electrical engineering input output plc hardware allen bradley 1756 oa16 series a new surplus sealed. Top Suggestions Allen Bradley 1756 If8 Wiring Diagram.
1756 tbnh wiring diagram wiring diagram chart 1756 tbnh wiring diagram see more about 1756 tbnh wiring diagram 1756 tbch wiring diagram 1756 tbnh wiring diagram 1756. About Press Copyright Contact us Creators Advertise Developers Terms Privacy Policy Safety How YouTube works Test new features Press Copyright Contact us Creators. For the 1756-IF8H and 1756-OF8H analog IO modules.
51 93 Additional device diagnostics are available on the HART Device. IF8 Fault Reporting in Floating Point Mode. For example in case a module is usually powered up and it sends out a new signal of fifty percent the voltage in addition to the technician would not know this he would think he offers a problem as he would expect a 12V signal.
It shows the parts of the circuit as streamlined shapes and also the power and also signal connections between the gadgets. READ Apollo Gate Opener Wiring Diagram Download Outlet receptacles and switches are often manufactured with push-fit wire connection slots for the back combined with the traditional screw-terminal connections on the sides with the device. Familiarize themselves with installation and wiring instructions in addition to requirements of all applicable codes laws.
1769 if8 module doesn t read my analog reading cur on 1756 if16 plcs net of8 allen bradley non isolated wiring shefalitayal ib16 input controllogix digital i o modules 6 5 9 if16h looking for plc if8i channel to 8 1756if8 ab in stock user bulletin 1492 manual pdf if6i 1746 rm003e en e slc 500 hardware l72 1756l72 rockwell. 1756-IF8 8 channels wiring diagram 1756-IF8H 1756-TBNH 1756-OB16D 1756-PA72c 1756-IF4FXOF2F Allen-Bradley 1756-OF8 1756-TBCH 1756-OW16I Text. 1492 ifm40f wiring diagram 1756 if8h user manual programmable logic controller calameo essential components selection guide.
They must be ordered separately. Updated diagram labels for wiring the 1756-IF6I Module Chapter 6 Updated Fahrenheit temperature conversion range values for Cold- junction Compensation Types and Cold Junction Offset Option. Bulletin 1492 Digital Analog Programmable Controller Wiring Systems.
54 80 Power supply wiring diagrams are available for the 1756-IF8H analog input module. ControlLogix HART Analog IO Modules Catalog Numbers 1756-IF8H 1756-IF8IH 1756-IF16H 1756-OF8H 1756-OF8IH User Manual. Through the thousands of pictures online concerning 1756 if6i wiring diagram picks the best series using greatest resolution exclusively for you and this images is actually one among pictures selections within our greatest photographs gallery regarding 1756 If6I Wiring DiagramIm hoping you will like it.
A wiring diagram is a simplified standard pictorial representation of an electric circuit. 1756 tbnh wiring diagram another graphic.
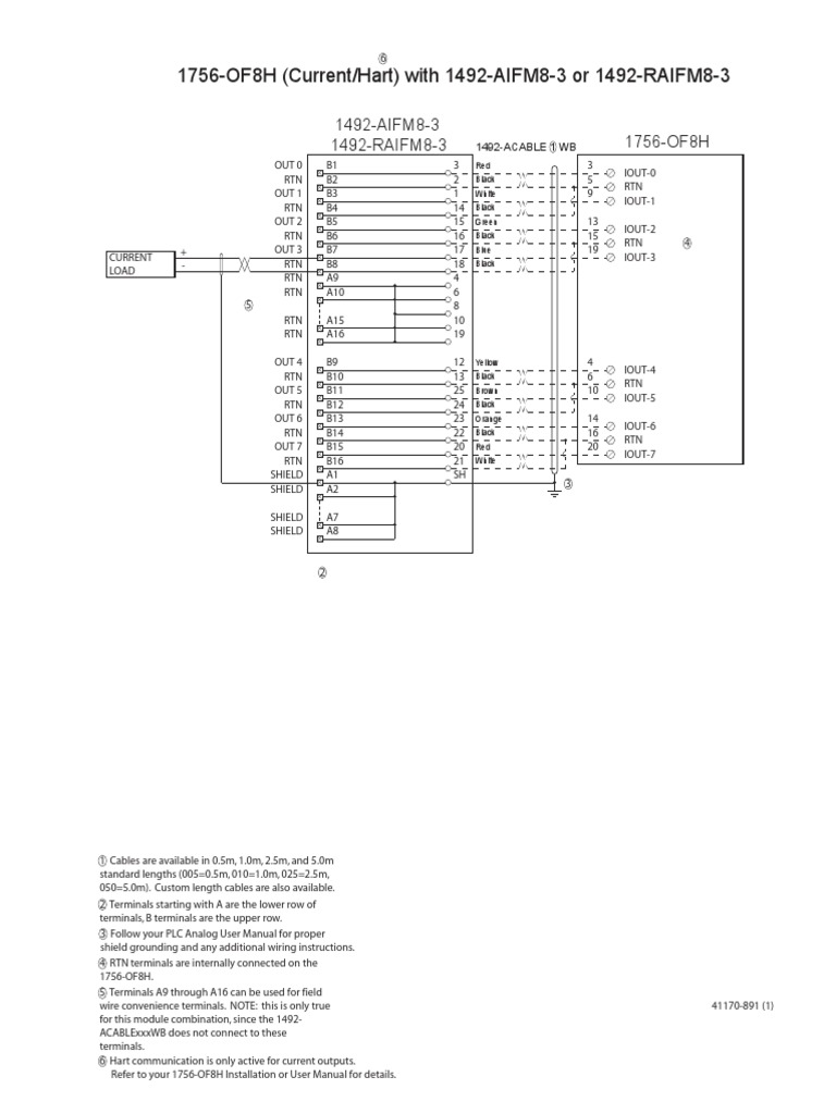
Aifm8 3 Or Rifm8 3 To 1756 Of8h Curr Hart Out 41170 891 1 Pdf Manufactured Goods

Allen Bradley Plc Programming 1756 Ow16i 16 N O Individually Isolated Outputs With Best Price Buy Ac Dc Isolated Contact Module Analog Output Module Plc Ammeter With Output Product On Alibaba Com

1756 If16 Clogix Analog Module Testing Youtube
1756 Iomodules Power Supply Electrical Wiring

1756 Of8 Allen Bradley Non Isolated Analog Output Modules

Wire Off Detection Wiring Diagram Wire Off Detection Wiring Diagram Rockwell Automation 1756 Of8h Controllogix Hart Analog I O Modules User Manual Page 72 228 Original Mode

Professional 1756 Ig16 Ab In Stock Ready For Ship Supplier 1756 Ig16 Ab In Stock Ready For Ship Manufacturer Amikonltd Com

Allen Bradley 1756 Controllogix I O Modules Rockwell Automation

Supply Allen Bradley Controllogix 1756 Ob16 1756 Ob16i 1756ob16e Factory Producers Quotes
1756 If8h 1756if8h Ab In Stock Allen Bradley Controllogix Allen Bradley 1756if8h Analog Input Module 8 Pt

Rslogix 5000 Analog Input Programming Wiring Scaling Tutorial For Plc Analog Input Signal Example
Http Www Quad Industry Com Titan Img Ab 1756 Um533 En P Pdf

1756 Of8 Allen Bradley Non Isolated Analog Output Modules

1756 If16 Wiring Diagram Shefalitayal

1756 Ob16e Wiring Diagram Allen Bradley 1756 Of8 Wiring Diagram Sample

Wiring Diagram For Plc Analogue Input Card Smewsliandwheatearbix

Rockwell Automation 1492 Acable020uc Pre Wired Cable For 1756 If16 Diff Voltage O Ecommerce Technology Bsa


Posting Komentar untuk "1756 If8h Wiring Diagram"