13wx78bs011 Wiring Diagram
We believe this kind of cub cadet rzt 50 wiring diagram picture can be the most trending content once we share it in google plus or twitter. Troy bilt bronco wiring diagram You will need an extensive expert and easy to know Wiring Diagram.

Troy Bilt 13wx78bs011 Bronco 2017 Parts Diagrams
Replaces Troy Bilt Bronco 42 Model 13wx78bs011 Air Filter Click here for more information.

13wx78bs011 wiring diagram. Troy Bilt Bronco Wiring Diagram 2006 troy bilt super bronco wiring diagram 2009 troy bilt bronco wiring diagram 2011 troy bilt bronco wiring diagram Every electrical arrangement consists of various diverse parts. Parts Lookup - Enter a part number or partial description to search for parts within this model. 13WX78BS011 Bronco 2017 Hub Cap.
For electrical diagrams for specific engines and independent brands see below. Complete exploded views of all the major manufacturers. Troy bilt 13wx78bs011 bronco 2017 deck exploded view parts lookup by model.
Troy Bilt 13WX78KS Bronco Drive Transmission Parts Diagram. Electrical wiring diagrams may be found in the Operators Manual. Use our part lists interactive diagrams accessories and expert repair advice to make your repairs easy.
Troy bilt 13wx79kt011 horse xp 2011 wiring diagram exploded view parts lookup by model. Use keywords or part numbers instead of full sentences for best results. With this sort of an illustrative guidebook you will have the ability to troubleshoot stop and full your assignments with ease.
Troy Bilt 13WX78KS011 Bronco 2011 Exploded View parts lookup by model. Its published by Alice Ferreira in the best field. More in-depth electrical troubleshooting information may also be found in the Professional Shop Manual for the product.
Free shipping on parts orders over 45. Cub Cadet Lawn Mower Model 13WX90AS Parts - Shop online or call Fast shipping. USE We have parts diagrams accessories and repair advice to make your tool Troy -Bilt 13WX78KS Bronco Lawn Tractor Parts.
Troy-Bilt repair parts and parts diagrams for Troy-Bilt 13WX78BS011 - Troy-Bilt Bronco Lawn Tractor 2017 Order Status Customer Support 512-288-4355 My Account. Shop online for OEM Wiring Diagram parts that fit your Troy-Bilt 13WX79KT011 Horse XP 2011 search all our OEM Parts or call at 717-375-1021. KEEPER ASM BELT No Longer Available.
Troy Bilt 12088 Horse Opc 7 8hp Rototiller S N 120880100101 Up Electric Start System. Troy Bilt 13WX78BS011 Bronco 2017 Parts Diagrams. Use our part lists interactive diagrams accessories and expert repair advice to make your repairs easy.
13WX78BS011 Bronco 2017 Hood Grille. Troy-Bilt repair parts and parts diagrams for Troy-Bilt 13WX78KS011 - Troy-Bilt Bronco Lawn Tractor 2012 Order Status Customer Support 512-288-4355 My Account. Troy bilt 13wx79kt011 wiring diagram.
Troy Bilt Bronco Wiring Diagram 2006 troy bilt super bronco wiring diagram 2009 troy bilt bronco wiring diagram 2011 troy bilt bronco wiring diagram Every electric arrangement is composed of various distinct parts. Parts diagrams and manuals available. Troy-Bilt 13WX78BS011 Bronco 2017 Parts Diagrams 13WX78BS011 BRONCO 2017 CATALOG SEARCH Note.
Parts diagrams and manuals available. Each component ought to be set and linked to different parts in particular manner. Each part ought to be set and linked to different parts in particular way.
Wiring Diagram For Troy Bilt Riding Mower Site Resource. Open 7 days a week. Shop online for oem wiring diagram parts that fit your troy bilt 13wx79kt011 horse xp 2011 search all our oem parts or call at 717 375 1021.
Please use the following links to contact the engine manufacturers via their web. These include checking the tires sharpening the blades lubricating the tractor and maintain drive belts. Click here for more information.
Troy bilt bronco mower parts diagram. If not the structure wont work as it should be. Please enter one or more characters.
It is easy and free. 13WX78BS011 Bronco 2017 Front Axle Ignition Switch. With this kind of an illustrative guide you are going to have the ability to troubleshoot prevent and total your projects without difficulty.
If not the structure wont work as it ought to be. Find a part lookup parts via diagram. Need to fix your 13WX78KS011 Bronco 2011 Lawn Tractor.
Troy Bilt 13wx79kt011 Horse Xp Lawn Tractor 2011 Wiring Diagram Parts Lookup With Diagrams Partstree. Diagram Troy Bilt Wiring Full Version Hd Quality Outletdiagram Scuolacostituente It. Troy bilt bronco deck belt diagram.
Click here for more information. 13WX78BS011 Bronco 2017 Fuel Tank. Troy bilt bronco wiring diagram You will want a comprehensive professional and easy to comprehend Wiring Diagram.
There are 301 parts used by this model. It is EASY and FREE. Find parts for your Bronco Troy-Bilt Riding Lawn Mower.
Find troy bilt parts for troy bilt lawn mowers and other power equipment.
![]()
Troy Bilt 13wx78bs011 Troy Bilt Bronco Lawn Tractor 2017 Parts Lookup With Diagrams Partstree

Troy Bilt Riding Lawn Mower Model 13wx78bs011 Troy Bilt Us
Troy Bilt 13wx78bs011 Bronco 17 Lawn Tractor Partswarehouse
![]()
Troy Bilt 13yx78ks011 Troy Bilt Bronco Lawn Tractor 2013 Parts Lookup With Diagrams Partstree

Troy Bilt Bronco Transmission Belt Off 69
Troy Bilt 13wx78bs011 Bronco 17 Lawn Tractor Partswarehouse
![]()
Troy Bilt 13wx78bs011 Troy Bilt Bronco Lawn Tractor 2017 Parts Lookup With Diagrams Partstree

Peugeot Wiring Diagram 206 Wiring Diagrams All Peugeot Diagram Electrical Wiring Diagram
Troy Bilt 13wx78bs011 Bronco 17 Lawn Tractor Partswarehouse
![]()
Troy Bilt 13wx78bs011 Troy Bilt Bronco Lawn Tractor 2017 Parts Lookup With Diagrams Partstree
_(2011)_WW_3.gif)
Troy Bilt Lawn Tractor 13wx78ks011 Ereplacementparts Com

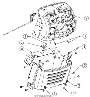
Troy Bilt 13wx78bs011 Bronco 2017 Parts Diagram For Frame

Troy Bilt 13wx78bs011 Bronco 2017 Parts Diagrams

Troy Bilt Riding Lawn Mower Model 13wx78bs011 Troy Bilt Us
![]()
Troy Bilt 13wx78bs011 Troy Bilt Bronco Lawn Tractor 2017 Parts Lookup With Diagrams Partstree
Troy Bilt 13wx78bs011 Bronco 17 Lawn Tractor Partswarehouse

Troy Bilt 13a879ks066 13wn77bs011 13al78kt066 13wx78bs011 13wx79bt011 13b277ks066 User Manual Manualzz
_(2011)_WW_1.gif)
Posting Komentar untuk "13wx78bs011 Wiring Diagram"